服务咨询电话:400-826-0106
大型工程水量热量不平衡?图文并茂教你学同程设计和安装
来源:热泵市场 发布时间:2018-12-04 浏览量:1779

据许多经销商反映,在做大型热水或采暖工程的时候,经常会出现流量和热量分配不均匀的情况。由于空气能产品的不断成熟和技术的进步,机组性能不会存在很大缺点,在机组选型合理的前提下,末端热源分配不均匀很有可能是安装过程中系统设计不当造成的,而机组同程安装则可以避免这一现象的出现。

 

同程安装是水力平衡的最佳方式

一般情况下,小型工程经销商为了安装的便利和节省费用,采用的都是异程安装,由于管道长度较短,各个末端的差异不是很明显,因此其缺点也被忽视。但也有一些经销商在每一个并联支路上安装流量调节装置来进行控制。

同程即流体经过每台设备的路径长度相等、阻力相同。这个也挺难理解的,因为在实际操作的时候你要亲自去画,那么就挺麻烦的。

经过每一并联环路的管长基本相等,如果通过每米长管路的阻力损失接近相等,则管网的阻力不需调节即可保持平衡。同程系统可以保证流经每一个末端的水流量均匀,防止远端水流量不足而影响制冷或制热效果。同程安装在大型空调制冷工程应用的很普遍,由于热泵与空调的原理相似,逐渐被一些空气能经销商所采用,经过不断试验后被广泛应用于大型空气能热水和采暖项目。

以采暖为例,就是前端第一组暖气片的回水暂不向主管道循环,而是通过管道延长的方式往下继续走,连接下一组暖气片的回水管,依次类推,从最末端暖气片拉出一根回水管路,回到主管道的回水管上。

系统每组暖气片的水流量基本上是相同的,系统非常平衡,一般不会出现部分末端出现热量不够或者不热的现象,可以说是一种水力系统平衡最佳的方式。

如图一所示,这是三台主机,很多人都是这样安装,但是五台以上就会出现问题,试想一下,水流都是哪个地方阻力小、哪个地方管径短,就往那里流,会出现分配不均,右侧水流多,而往左侧就会越来越少,同样会导致右侧温差小,越往左侧温差则越大,温差大到一定程度就会报警,这个就不是同程。

 

主机同程安装有诸多细节要求

为避免出现末端热源分布不均匀的现象的出现,通常2台以上机组并联安装时都应采用同程安装,而要做同程则需要使流体经过每台设备的路径长度相等、阻力相同。根据机组数量的多少,主机同程一般有以下两种方式:

1、主管路3管方式:

如图二所示,图中矩形代表热泵主机,圆形代表循环水泵。

流体从水泵出来后,分三路进入热泵主机,由于三个主机的进水管道长度不一致,因此出水管道也应该存在差异,使得流体经过每台设备的路径长度相等。

比如主机平行排列,第一台主机进水管道为3米,第二台进水管道为4米,第三台进水管道为5米,假如第一台出水管道为8米,那么第二台主机的出水管道则为7米,第三台主机的出水管道为6米,这样流体经过每台设备的路径长度都是11米。

2、主管路环形方式

如图三所示,图中矩形代表热泵主机,圆形代表循环水泵:1为循环水泵(2);2为一台25P热泵机组;3为强电控制柜(配电柜);4为弱电控制柜;5为主进水管(在下面);6为主出水管(在上面)

这是5台主机,大工程水泵需要一用一备,流体进来后不应该首先经过第一台设备,先走到头,再回来,所有的设备经过的路径长度都相等。

为了提高系统的整体效益和使用寿命,提高客户的使用体验度,同时方便日常检修,主机同程安装过程中需要注意以下几个方面:

①机组自带电控箱的一侧和配电柜同在前面,以便与检修;②三根主进、出水管同在几组的后面,两根进水管在下面,出水管在上面;主机之间的间距1.2;③水泵中心距离机组侧板1.5;配电柜、弱电柜安装在N台机组的中间位置,与机组的前面板在同一条直线上,底沿高度距地面1.5米,与机组之间的距离要不影响机器的检修,每个控制柜最多控制10台机组,多余10台机组的工程要增加控制柜,并均匀分配机组控制数量;机组和水泵的接口处必须安装软连接,以降低噪音,便于安装检修;④安装在地面的工程,机组支架应安装在混凝土的基础之上,混凝土基础台应设有排水沟;安装在楼顶的工程,机组支架地脚受力不能破坏防水保温层;⑤机组和水泵与固定支架之间应安装橡胶减震垫。

 

末端同程与主机同时进行

大型热水或采暖工程的末端设备一般是暖气片或风机盘管或地暖,主机进行同程安装的同时,只有末端做好同程安装才能保证末端输出均匀。

根据主机数量和同程安装情况的不同,末端安装一般也有两种方式:

1、末端主管路环形加3管同程 

主机同程采用主管路3管方式的时候,末端的主管道则需相对应地采用环形加3管同程方式,如图四所示,主机同程了,下面到末端,一共有三个楼道口,每一个楼道口有一套主管线,那么这三个楼道口也要同程。

 

一套主管线,包括进水口和回水口,主管线到了末端之后,这三个末端也要同程,如果不做同程,那么上面楼道口的水流量大,而下面楼道口的水流量小。末端同程的原理和主机同程的原理一样,需要保证每一个末端进水和回水的流程一样长。

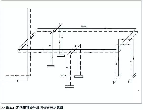
2、末端主管路环形同程

相应的,主机数量较多的情况下同程安装选择主管路环形方式,使得每一个流体经过末端的路程一样长,其安装原理与主机环形同程安装一样。

如图五所示,三层楼的采暖,首先要保证流体到每一个楼道口的路程一样长,楼梯到了楼道口,通过楼道外侧的分水器到达每一个采暖用户家,管道采用同程安装。

而每一个用户家里也有一个分水器,即楼道内侧房间分水器,通过分水器到达用户家里的每一个房间的末端采暖管道也需要进行同程安装。那么,整个系统形成了环形的流程,流体不仅到达每一户的路程相同,达到用户每一个房间的路程也做到了一致。

因此,即使楼层再多,采暖用户的数量再多,采取环形同程的安装方式都能保证每一个用户的采暖效果相当。当然,由于用户采暖末端形式不一样,房间保温效果和用户使用情况的不同,可能会导致采暖效果存在一定差异。

同程安装初投资高,但优势明显

大型热水或采暖工程采用同程安装由于管道使用长度增加,再加上分水器、控制阀、压力表等配件的增加,安装的初投资费用相对异程安装增加了许多,同程式系统由于采用回程管,管道的长度增加,水阻力增大,使水泵的能耗增加,但是其后期运行的效果优势明显。

首先,同程安装经过每台设备的水流量均匀,冷热量分配均匀,循环系统的前端与后端一致,对于末端讲,不会产生前端热()、后端冷()的现象,保证用户的体验度;对于热泵机组而言,不会产生前端机组温差小,后端机组温差大的情况,保证机组均衡正常工作。

其次,同程安装便于设备的检修,关闭任何一台设备都不会影响整体的循环,如某台设备在运行中出现故障,可以在系统运行中关闭该设备两侧的水路阀门进行维修,不会影响整体的运行。

 浙公网安备 33018502001628号   Capright © 2016 杭州真心热能电器有限公司 All Rights Reserved. Designed 浙ICP备13036914号-1 网站XML地图
投资有风险,选择需谨慎