精准分析区域气候,提升用户采暖效果
近年来随着人民生活水平的提高,越来越多的人开始关心南方供暖问题。这里所讲的南方地区主要集中在长江流域的夏热冬冷地区,根据国家统计局最新公布的2011年气候数据,该区域的上海、杭州、南京、武汉等主要城市的冬季最冷月平均温度均在0℃左右,但相对湿度可达60%,这种气候特征带给人的“湿冷” 感受与北方温度和相对湿度都偏小的“干冷” 气候同样不在ASHRAE 规定的人体热舒适区内。如图下:
据刘临川介绍,目前房间空气调节器运行采暖模式是南方居民冬季最广泛采用的采暖方式。房间空气调节器采暖的最大问题是气流组织不好, 舒适性较差。目前房间空气调节器从设计制造到安装使用,多是基于夏季制冷工况,安装位置较高且受突出灯槽的影响,导致采暖时房间上部偏高,人体活动区域温度不理想,气流组织效果不理想。
由于室内机尺寸总体偏小,冬季供暖就需要比较高的冷凝温度,在室外温度0℃左右时,往往蒸发温度-10℃,而冷凝温度要45℃~50℃,热泵效率明显降低,供热功率不足以满足室内供暖舒适性需求。室外机间断性的热气融霜进一步造成室内制热的间断性。以上状况造成了我国南方地区冬季供暖舒适性不能满足人们对生活品质的追求。
精确设计选型,实现一机双末端高效采暖
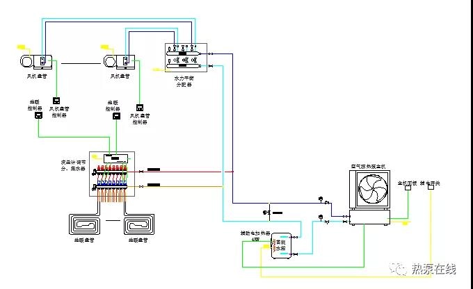
在技术路线方面,刘临川对独具特色的典范项目——杭州金麟府项目进行了介绍:该项目位于杭州市拱墅区,工程总用地面积约5万平方米,地上建筑面积约1.35万平方米。“地块内共布置有14幢高层住宅,为精装修交付,总户数928户。”刘临川主任说,该项目采用户式二合一高效空气源热泵空调(水)系统,实现一机(空气源热泵)双末端(地板辐射+风机盘管送风)。
“室外主机性能的改善主要是空气源热泵机组应对低温工况的性能在不断提升和北方地区煤改电的大规模实践体现最为明显。”刘临川指出,在空气源热泵空调的系统匹配性设计中,空气源热泵空调系统作为一个整体系统,机组性能和末端性能是相互影响的。
同时,一个完整的空调系统一般由冷热源、输送管网和末端三大系统组成。从系统的角度出发,一个合理的空调系统,应该是在满足室内温度的前提下使冷热源、输送管网和末端三者都最优且相互匹配,这样才能做到整体的效果最优、能效最优、造价最优,并实现一机两用。
“利用地板供暖系统的蓄热性能, 改变机组的运行模式,在电力负荷低谷期间运行, 在电力负荷高峰期停机, 由地板蓄存的热量来维持室温。夜间开机、白天停机的蓄热运行模式能够满足室内供暖要求,且可以明显节省供暖运行费用, 在电网分时计费地区更是如此。”刘临川指出,地板蓄热供暖对室内热舒适的影响不大,该模式宏观上对供电起到了削峰填谷的作用, 而且是投资很小的削峰填谷技术, 具有较好的应用前景。涉及使用习惯问题,也就是连续运行和间歇运行。
据刘临川进一步介绍:目前集成利用成熟的物联网技术,在风机盘管末端和地暖辐射盘管末端的温度控制器上集成WIFI控制模块,该模块与控制器通讯并通过TCP/IP协议同用户的手机APP进行交互,以实现远程对末端的温度设定和启停控制,既空调的使用者可以在回家前对室内进行预冷或预热,以提高使用者的舒适性和体验感,这点对辐射地板采暖尤其重要,因为辐射地板采暖由于热惰性比较大,达到室内温度的时间比较长。
同时,刘临川还结合项目从七个方面对空气源热泵系统设计要点进行了分析:




最后,刘临川结合实践实际运行数据对自己的经验进行了分享:
首先注意室内风机盘管的噪声,不能完全看产品样本的噪声值,最好采用吊顶回风的方式,避免回风口的直达噪声对室内的影响;
其次从减少室内管道漏水的风险出发,建议采用水利平衡分配器的做法,减少管道接口数量;
第三,蓄能水箱的作用对比两者,可提供系统供水温度,减少设备启停次数,建议系统采用缓冲蓄能水箱,并设辅助电加热装置;
第四,从保证地面加热管的设计长度和施工效率的角度出发,尽量采用专用地板垫。